• Главная
  • стол для ручного рубанка своими руками чертежи

Стол для ручного рубанка своими руками: чертежи и инструкции

11 сентября 2024 / 0 комментариев / 31 просмотр

Изготовление стола для ручного рубанка своими руками может быть увлекательным и полезным занятием для любителей столярного дела. В этой статье мы представим подробные чертежи и пошаговые инструкции по созданию стола, а также много фотографий, чтобы помочь вам в процессе работы.

стол для ручного рубанка своими руками чертежи
1
стол для ручного рубанка своими руками чертежи
2
Электрорубанок Калибр 900 схема чертеж
стол для ручного рубанка своими руками чертежи
3
стол для ручного рубанка своими руками чертежи
4
Фуганок из электрорубанка Интерскол 110
стол для ручного рубанка своими руками чертежи
5
Циркулярный станок по дереву СКД 1 чертеж
стол для ручного рубанка своими руками чертежи
6
Чертеж лекала для столярных изделий
стол для ручного рубанка своими руками чертежи
7
стол для ручного рубанка своими руками чертежи
8
Фуганок из электрорубанка Интерскол 110
стол для ручного рубанка своими руками чертежи
9
Радиус подошвы рубанок Горбач схема
стол для ручного рубанка своими руками чертежи
10
Фуганок из электрорубанка Интерскол 110
стол для ручного рубанка своими руками чертежи
11
стол для ручного рубанка своими руками чертежи
12
Фуганок из электрорубанка Интерскол 110
стол для ручного рубанка своими руками чертежи
13
Японский рубанок чертеж
стол для ручного рубанка своими руками чертежи
14
стол для ручного рубанка своими руками чертежи
15
стол для ручного рубанка своими руками чертежи
16
Фуганок из электрорубанка Интерскол 110
стол для ручного рубанка своими руками чертежи
17
стол для ручного рубанка своими руками чертежи
18
Рейсмус из электрорубанка
стол для ручного рубанка своими руками чертежи
19
Рейсмус из электрорубанка Интерскол 1100
стол для ручного рубанка своими руками чертежи
20
стол для ручного рубанка своими руками чертежи
21
Деревообрабатывающий станок к40м схема
стол для ручного рубанка своими руками чертежи
22
Рейсмус из электрорубанка Rebir
стол для ручного рубанка своими руками чертежи
23
Фуганок станок чертеж
стол для ручного рубанка своими руками чертежи
24
стол для ручного рубанка своими руками чертежи
25
Шлифовальный станок с наклоном, из ленточной шлифмашины Makita 9404
стол для ручного рубанка своими руками чертежи
26
Черте цыркулярного станка
стол для ручного рубанка своими руками чертежи
27
Циркулярный станок по дереву СКД 1 чертеж
стол для ручного рубанка своими руками чертежи
28
стол для ручного рубанка своими руками чертежи
29
Деревообрабатывающий станок Удай УБДС 310
стол для ручного рубанка своими руками чертежи
30
стол для ручного рубанка своими руками чертежи
31
стол для ручного рубанка своими руками чертежи
32
Деревообрабатывающий станок к40м схема
стол для ручного рубанка своими руками чертежи
33
К40 деревообрабатывающий станок чертеж
стол для ручного рубанка своими руками чертежи
34
Сборочный чертеж выпиловочного столика
стол для ручного рубанка своими руками чертежи
35
Деревообрабатывающий станок штурм 1921 направляющая линейка чертеж
стол для ручного рубанка своими руками чертежи
36
Циркулярный станок по дереву СКД 1 чертеж
стол для ручного рубанка своими руками чертежи
37
Рейсмус из электрорубанка Макита
стол для ручного рубанка своими руками чертежи
38
Чертеж станка для заточки фуговальных ножей
стол для ручного рубанка своими руками чертежи
39
стол для ручного рубанка своими руками чертежи
40
стол для ручного рубанка своими руками чертежи
41
Деревообрабатывающий станок к40м схема
стол для ручного рубанка своими руками чертежи
42
Размеры выпиловочного столика для лобзика
стол для ручного рубанка своими руками чертежи
43
Рейсмус из электрорубанка Rebir
стол для ручного рубанка своими руками чертежи
44
стол для ручного рубанка своими руками чертежи
45
стол для ручного рубанка своими руками чертежи
46
Маятниковый торцовочный станок чертеж
стол для ручного рубанка своими руками чертежи
47
Приспособление для пиления под углом 45 и 90 для циркулярки
стол для ручного рубанка своими руками чертежи
48
Технологическая карта упора для пиления
стол для ручного рубанка своими руками чертежи
49
стол для ручного рубанка своими руками чертежи
50
стол для ручного рубанка своими руками чертежи
51
Самодельная направляющая для дисковых пил чертеж
стол для ручного рубанка своими руками чертежи
52
Циркулярка СКД 1
стол для ручного рубанка своими руками чертежи
53
стол для ручного рубанка своими руками чертежи
54
стол для ручного рубанка своими руками чертежи
55
Циркулярный станок по дереву СКД 1 чертеж
стол для ручного рубанка своими руками чертежи
56
Приспособление на верстаке для строгания досок
стол для ручного рубанка своими руками чертежи
57
Самодельный токарный станок по дереву из циркулярной пилы
стол для ручного рубанка своими руками чертежи
58
Толкатель для циркулярной пилы чертеж на а4
стол для ручного рубанка своими руками чертежи
59
Table saw циркулярка
стол для ручного рубанка своими руками чертежи
60
Циркулярный станок по дереву СКД 1 чертеж
стол для ручного рубанка своими руками чертежи
61
стол для ручного рубанка своими руками чертежи
62
стол для ручного рубанка своими руками чертежи
63
Рейсмус из электрорубанка Rebir
стол для ручного рубанка своими руками чертежи
64
Электроинструменты для обработки древесины схема
стол для ручного рубанка своими руками чертежи
65
Чертеж самодельного станка для заточки дисковых пил
стол для ручного рубанка своими руками чертежи
66
Складной столик металл чертёж
стол для ручного рубанка своими руками чертежи
67
стол для ручного рубанка своими руками чертежи
68
Чертеж приспособления для заточки ножей строгального станка
стол для ручного рубанка своими руками чертежи
69
Чертеж вала строгального станка
стол для ручного рубанка своими руками чертежи
70
стол для ручного рубанка своими руками чертежи
71
Фуганок из электрорубанка Интерскол 110
стол для ручного рубанка своими руками чертежи
72
стол для ручного рубанка своими руками чертежи
73
стол для ручного рубанка своими руками чертежи
74
Building 4 in 1 Workshop (homemade Table saw, Router Table, Disc Sander, Jigsaw Table)
стол для ручного рубанка своими руками чертежи
75
Инструменты для строгания древесины Струги
стол для ручного рубанка своими руками чертежи
76
Толкатель для циркулярной пилы чертеж для ЧПУ
стол для ручного рубанка своими руками чертежи
77
Циркулярный станок по дереву СКД 1 чертеж
стол для ручного рубанка своими руками чертежи
78
Столярный верстак Feestool чертёж
стол для ручного рубанка своими руками чертежи
79
Циркулярный станок по дереву СКД 1 чертеж
стол для ручного рубанка своими руками чертежи
80
Чертёж станины для торцовачной пилы
стол для ручного рубанка своими руками чертежи
81
Вал строгального станка чертеж
стол для ручного рубанка своими руками чертежи
82
стол для ручного рубанка своими руками чертежи
83
стол для ручного рубанка своими руками чертежи
84
Makita 1806b
стол для ручного рубанка своими руками чертежи
85
Приспособление для пиления под углом 45 и 90 для циркулярки
стол для ручного рубанка своими руками чертежи
86
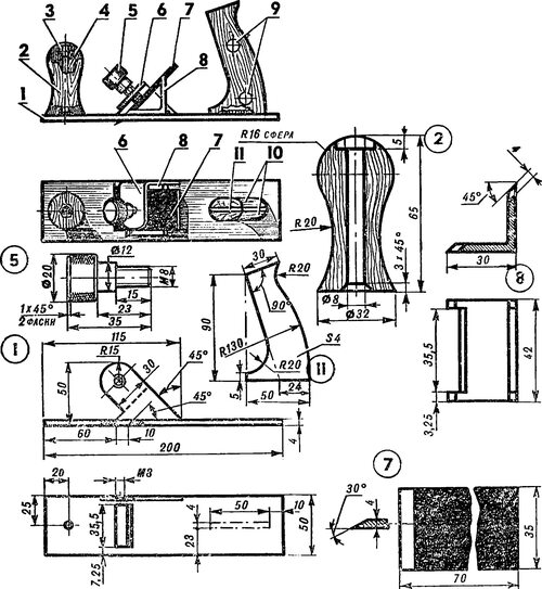
Рубанок колодка резец рукоятка подошва
стол для ручного рубанка своими руками чертежи
87
Токарный станок СТД-120м чертеж
стол для ручного рубанка своими руками чертежи
88
Циркулярный станок по дереву СКД 1 чертеж
стол для ручного рубанка своими руками чертежи
89
стол для ручного рубанка своими руками чертежи
90
стол для ручного рубанка своими руками чертежи
91
Чертеж вала строгального станка
стол для ручного рубанка своими руками чертежи
92
Столярный верстак чертеж
стол для ручного рубанка своими руками чертежи
93
стол для ручного рубанка своими руками чертежи
94
стол для ручного рубанка своими руками чертежи
95
Рейсмус из циркулярки
стол для ручного рубанка своими руками чертежи
96
Чертеж упора для фрезерного станка
стол для ручного рубанка своими руками чертежи
97
стол для ручного рубанка своими руками чертежи
98
Долбление древесины долотом
стол для ручного рубанка своими руками чертежи
99
Чертеж станка из фанеры для циркулярки
стол для ручного рубанка своими руками чертежи
100
стол для ручного рубанка своими руками чертежи
101
Сборочный чертеж столярного изделия

Выбор материалов и подготовка

Первым шагом в изготовлении стола для ручного рубанка является выбор подходящих материалов. Подробные чертежи помогут определить необходимые размеры и форму стола. Затем следует приступить к подготовке материалов и обработке древесины.

Оставьте комментарий

Ваш электронный адрес не будет опубликован.