• Главная
  • врезной замок для деревянной двери схема

Врезной замок для деревянной двери: подробная схема установки

29 июля 2024 / 0 комментариев / 30 просмотров

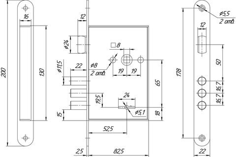
Установка врезного замка на деревянную дверь может показаться сложной задачей, но с правильной схемой и пошаговым руководством это становится гораздо проще. В этой статье мы представим подробную схему установки врезного замка, сопровождаемую множеством фотографий, чтобы вы могли легко следовать инструкциям.

врезной замок для деревянной двери схема
1
Корпус врезного цилиндрического замка Fuaro 900 3mr/PB W/B
врезной замок для деревянной двери схема
2
врезной замок для деревянной двери схема
3
врезной замок для деревянной двери схема
4
врезной замок для деревянной двери схема
5
врезной замок для деревянной двери схема
6
врезной замок для деревянной двери схема
7
врезной замок для деревянной двери схема
8
врезной замок для деревянной двери схема
9
врезной замок для деревянной двери схема
10
врезной замок для деревянной двери схема
11
врезной замок для деревянной двери схема
12
врезной замок для деревянной двери схема
13
врезной замок для деревянной двери схема
14
врезной замок для деревянной двери схема
15
Корпус замка под цилиндр 25-85 мм Нора
врезной замок для деревянной двери схема
16
врезной замок для деревянной двери схема
17
врезной замок для деревянной двери схема
18
врезной замок для деревянной двери схема
19
врезной замок для деревянной двери схема
20
врезной замок для деревянной двери схема
21
врезной замок для деревянной двери схема
22
врезной замок для деревянной двери схема
23
врезной замок для деревянной двери схема
24
врезной замок для деревянной двери схема
25
врезной замок для деревянной двери схема
26
врезной замок для деревянной двери схема
27
врезной замок для деревянной двери схема
28
Защелка врезная Fuaro (Фуаро) Magnet m96wc-50 SN мат. Никель
врезной замок для деревянной двери схема
29
врезной замок для деревянной двери схема
30
врезной замок для деревянной двери схема
31
Корпус замка КЗВР - 101
врезной замок для деревянной двери схема
32
врезной замок для деревянной двери схема
33
врезной замок для деревянной двери схема
34
врезной замок для деревянной двери схема
35
врезной замок для деревянной двери схема
36
Монтаж замка в межкомнатную дверь
врезной замок для деревянной двери схема
37
врезной замок для деревянной двери схема
38
врезной замок для деревянной двери схема
39
врезной замок для деревянной двери схема
40
Корпус замка Palladium 4301 ab
врезной замок для деревянной двери схема
41
врезной замок для деревянной двери схема
42
врезной замок для деревянной двери схема
43
Корпус замка Нора-м 13м-90 мм
врезной замок для деревянной двери схема
44
врезной замок для деревянной двери схема
45
врезной замок для деревянной двери схема
46
врезной замок для деревянной двери схема
47
врезной замок для деревянной двери схема
48
врезной замок для деревянной двери схема
49
Trodos 189k
врезной замок для деревянной двери схема
50
врезной замок для деревянной двери схема
51
врезной замок для деревянной двери схема
52
врезной замок для деревянной двери схема
53
врезной замок для деревянной двери схема
54
врезной замок для деревянной двери схема
55
врезной замок для деревянной двери схема
56
врезной замок для деревянной двери схема
57
Чертеж ручки меттэм зв4 402
врезной замок для деревянной двери схема
58
врезной замок для деревянной двери схема
59
врезной замок для деревянной двери схема
60
врезной замок для деревянной двери схема
61
врезной замок для деревянной двери схема
62
врезной замок для деревянной двери схема
63
врезной замок для деревянной двери схема
64
врезной замок для деревянной двери схема
65
врезной замок для деревянной двери схема
66
врезной замок для деревянной двери схема
67
врезной замок для деревянной двери схема
68
врезной замок для деревянной двери схема
69
врезной замок для деревянной двери схема
70
врезной замок для деревянной двери схема
71
врезной замок для деревянной двери схема
72
врезной замок для деревянной двери схема
73
врезной замок для деревянной двери схема
74
врезной замок для деревянной двери схема
75
врезной замок для деревянной двери схема
76
врезной замок для деревянной двери схема
77
врезной замок для деревянной двери схема
78
врезной замок для деревянной двери схема
79
APECS 94-H/60-CR
врезной замок для деревянной двери схема
80
врезной замок для деревянной двери схема
81
врезной замок для деревянной двери схема
82
врезной замок для деревянной двери схема
83
Корпус узкопрофильного замка 35/92
врезной замок для деревянной двери схема
84
врезной замок для деревянной двери схема
85
Сувальдный механизм замка чертёж
врезной замок для деревянной двери схема
86
Корпус Kale kilit (Кале килит) врезного замка с защёлкой 152/r (60 mm) w/b (латунь)
врезной замок для деревянной двери схема
87
врезной замок для деревянной двери схема
88
врезной замок для деревянной двери схема
89
врезной замок для деревянной двери схема
90
врезной замок для деревянной двери схема
91
Tesa ASSA Abloy замки
врезной замок для деревянной двери схема
92
врезной замок для деревянной двери схема
93
врезной замок для деревянной двери схема
94
врезной замок для деревянной двери схема
95
врезной замок для деревянной двери схема
96
врезной замок для деревянной двери схема
97
врезной замок для деревянной двери схема
98

Шаг 1: Подготовка двери

Перед установкой замка необходимо подготовить дверь. Это включает в себя отметку места установки замка, подготовку отверстий под ручку и ключ, а также фрезеровку врезов для самого замка.

Оставьте комментарий

Ваш электронный адрес не будет опубликован.