• Главная
  • подпорная стенка с анкерной тягой

Подпорная стенка с анкерной тягой

5 января 2024 / 0 комментариев / 50 просмотров

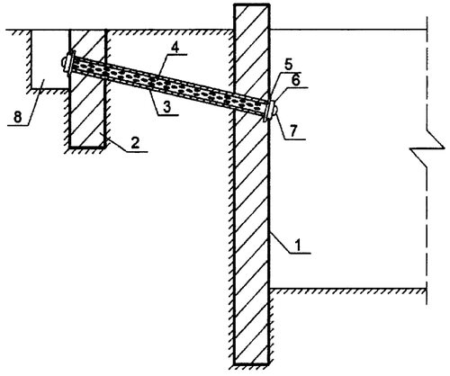
Подпорная стенка с анкерной тягой – это конструкция, используемая для укрепления и поддержания грунтовых масс. Она состоит из вертикальных стоек, анкерных тяг и горизонтальных элементов, обеспечивающих жесткое соединение.

подпорная стенка с анкерной тягой
1
Узел крепления анкера к подпорной стене
подпорная стенка с анкерной тягой
2
Деформационный шов в подпорной стенке
подпорная стенка с анкерной тягой
3
подпорная стенка с анкерной тягой
4
подпорная стенка с анкерной тягой
5
подпорная стенка с анкерной тягой
6
Грунтовый анкер подпорная стена
подпорная стенка с анкерной тягой
7
Узел крепления анкера к подпорной стене
подпорная стенка с анкерной тягой
8
подпорная стенка с анкерной тягой
9
Обратная засыпка подпорных стен
подпорная стенка с анкерной тягой
10
Грунтовый анкер чертеж
подпорная стенка с анкерной тягой
11
Подпорные стены с анкерными тягами
подпорная стенка с анкерной тягой
12
Подпорная стена с анкерным креплением
подпорная стенка с анкерной тягой
13
подпорная стенка с анкерной тягой
14
Подпорные стенки Автокад
подпорная стенка с анкерной тягой
15
Анкерное соединение подпорных стен
подпорная стенка с анкерной тягой
16
Анкерные тяги подпорной стены
подпорная стенка с анкерной тягой
17
подпорная стенка с анкерной тягой
18
подпорная стенка с анкерной тягой
19
подпорная стенка с анкерной тягой
20
подпорная стенка с анкерной тягой
21
Схема армирования подпорной стенки
подпорная стенка с анкерной тягой
22
Якорь для подпорных стен
подпорная стенка с анкерной тягой
23
Гравитационные блоки для подпорных стенок
подпорная стенка с анкерной тягой
24
подпорная стенка с анкерной тягой
25
Блоки для удержания грунта
подпорная стенка с анкерной тягой
26
Анкерный столб для фальцевой кровли Stand
подпорная стенка с анкерной тягой
27
Армогрунтовая стена Тенсар
подпорная стенка с анкерной тягой
28
Подпорная стена монолит
подпорная стенка с анкерной тягой
29
Варианты отделки фасадов и подпорных стен
подпорная стенка с анкерной тягой
30
подпорная стенка с анкерной тягой
31
подпорная стенка с анкерной тягой
32
Retaining Wall Light ideas
подпорная стенка с анкерной тягой
33
подпорная стенка с анкерной тягой
34
подпорная стенка с анкерной тягой
35
подпорная стенка с анкерной тягой
36
подпорная стенка с анкерной тягой
37
Террасирование склонов габионами
подпорная стенка с анкерной тягой
38
Усиление бетонной подпорной стенки чертежи
подпорная стенка с анкерной тягой
39
Конструкция подпорной стенки чертёж
подпорная стенка с анкерной тягой
40
подпорная стенка с анкерной тягой
41
Сборная бетонная подпорная стена
подпорная стенка с анкерной тягой
42
подпорная стенка с анкерной тягой
43
Подпорная стена дороги
подпорная стенка с анкерной тягой
44
подпорная стенка с анкерной тягой
45
подпорная стенка с анкерной тягой
46
подпорная стенка с анкерной тягой
47
Подпорные блоки Макволл
подпорная стенка с анкерной тягой
48
Сухая кладка подпорных стенок схема
подпорная стенка с анкерной тягой
49
подпорная стенка с анкерной тягой
50
Сухая кладка подпорных стенок схема
подпорная стенка с анкерной тягой
51
Фундамент забора подпорная стена
подпорная стенка с анкерной тягой
52
Подпорные блоки Макволл
подпорная стенка с анкерной тягой
53
подпорная стенка с анкерной тягой
54
Усиление бетонной подпорной стенки чертежи
подпорная стенка с анкерной тягой
55
подпорная стенка с анкерной тягой
56
Фундамент забора подпорная стена
подпорная стенка с анкерной тягой
57
Схема подпорной стены из ФБС
подпорная стенка с анкерной тягой
58
подпорная стенка с анкерной тягой
59
Блоки подпорных стен ст4-58в
подпорная стенка с анкерной тягой
60
Подпорные стены из габионов схема
подпорная стенка с анкерной тягой
61
Грунтовый анкер подпорная стена
подпорная стенка с анкерной тягой
62
Фундамент забора подпорная стена
подпорная стенка с анкерной тягой
63
Подпорная стена из железобетонных свай
подпорная стенка с анкерной тягой
64
Шпунт Ларсена подпорная стена
подпорная стенка с анкерной тягой
65
подпорная стенка с анкерной тягой
66
Террасирование бетонная подпорная стена
подпорная стенка с анкерной тягой
67
Шпунтовое ограждение Ларсен
подпорная стенка с анкерной тягой
68
подпорная стенка с анкерной тягой
69
Укрепительная подпорная стена
подпорная стенка с анкерной тягой
70
Террасирование склона георешеткой
подпорная стенка с анкерной тягой
71
Подпорные стены из монолитного железобетона
подпорная стенка с анкерной тягой
72
Подсветка подпорной стенки
подпорная стенка с анкерной тягой
73
Уголковая подпорная стена из железобетона
подпорная стенка с анкерной тягой
74
Террасирование габионами
подпорная стенка с анкерной тягой
75
подпорная стенка с анкерной тягой
76
подпорная стенка с анкерной тягой
77
подпорная стенка с анкерной тягой
78
подпорная стенка с анкерной тягой
79
Каменный забор сверху
подпорная стенка с анкерной тягой
80
Конструкция подпорной стены
подпорная стенка с анкерной тягой
81
подпорная стенка с анкерной тягой
82
Гидроизоляция подпорных стен из бетона ТЕХНОНИКОЛЬ
подпорная стенка с анкерной тягой
83
Террасирование участка подпорные стены
подпорная стенка с анкерной тягой
84
Дренаж подпорной стены
подпорная стенка с анкерной тягой
85
подпорная стенка с анкерной тягой
86
подпорная стенка с анкерной тягой
87
Фундамент забора подпорная стена
подпорная стенка с анкерной тягой
88
Габионы на Мостах
подпорная стенка с анкерной тягой
89
Каскад подпорных стенок
подпорная стенка с анкерной тягой
90
подпорная стенка с анкерной тягой
91
подпорная стенка с анкерной тягой
92
Фундамент забора подпорная стена
подпорная стенка с анкерной тягой
93
подпорная стенка с анкерной тягой
94
Грунтовый анкер Атлант
подпорная стенка с анкерной тягой
95
Сборная бетонная подпорная стена
подпорная стенка с анкерной тягой
96
Противооползневые сооружения подпорные сооружение
подпорная стенка с анкерной тягой
97
Ограждение на подпорной стенке
подпорная стенка с анкерной тягой
98
Кортен подпорные стенки
подпорная стенка с анкерной тягой
99
подпорная стенка с анкерной тягой
100
подпорная стенка с анкерной тягой
101
Подпорная стена 1.5 метра
подпорная стенка с анкерной тягой
102

Применение подпорных стенок с анкерной тягой

Эта технология применяется в строительстве подземных сооружений, насыпей и склонов. Подпорные стенки с анкерной тягой обеспечивают надежное удержание грунтовых масс и защиту от оползней.

Оставьте комментарий

Ваш электронный адрес не будет опубликован.