• Главная
  • установочные размеры для мебельных петель

Установочные размеры для мебельных петель

4 января 2024 / 0 комментариев / 52 просмотра

Установка мебельных петель - важный этап при изготовлении мебели. Правильные размеры гарантируют надежное и эстетичное крепление дверей. В данной статье мы рассмотрим основные установочные размеры для мебельных петель и дадим рекомендации по их применению.

установочные размеры для мебельных петель
1
Петля накладная GTV 165 градусов с h-2, 45мм
установочные размеры для мебельных петель
2
установочные размеры для мебельных петель
3
Разметка под мебельные вкладные петли 35 мм вкладные
установочные размеры для мебельных петель
4
Петля мебельная вкладная 211в
установочные размеры для мебельных петель
5
Петля мебельная Fit 105* clip-on HS С доводчиком чертеж
установочные размеры для мебельных петель
6
установочные размеры для мебельных петель
7
Присадка мебельной петли 35мм
установочные размеры для мебельных петель
8
Разметка под мебельные петли 35 мм вкладные
установочные размеры для мебельных петель
9
Петля мебельная накладная get hb340a.100, clip-on, 35 мм, 105°
установочные размеры для мебельных петель
10
Разметка под мебельные петли 35 мм накладные
установочные размеры для мебельных петель
11
установочные размеры для мебельных петель
12
Петля мебельная для фальшпанелей h74002, Slide-on, 35 мм, 95°
установочные размеры для мебельных петель
13
Петля мебельная накладная Stam 110
установочные размеры для мебельных петель
14
Петля накладная 91370.022 clip-on с доводчиком
установочные размеры для мебельных петель
15
CMF петля для фальшпанели с планкой, с доводчиком, 48мм, CMF Standart
установочные размеры для мебельных петель
16
Вкладные петли FGV присадка
установочные размеры для мебельных петель
17
Петля мебельная накладная Jet с доводчиком
установочные размеры для мебельных петель
18
Петля Master со встроенным доводчиком изгиб 9 мм
установочные размеры для мебельных петель
19
Петля угловая Slide-on d35?135h72002
установочные размеры для мебельных петель
20
установочные размеры для мебельных петель
21
установочные размеры для мебельных петель
22
Петля GTV С доводчиком, накладная ZM-echc09beo
установочные размеры для мебельных петель
23
установочные размеры для мебельных петель
24
Петля 351 clip-on d35мм с доводчиком угловая 180 град. С М.планкой h0мм, ,
установочные размеры для мебельных петель
25
Петля мебельная накладная h301a02, clip-on, 35 мм, 105°
установочные размеры для мебельных петель
26
установочные размеры для мебельных петель
27
Петля мебельная h601a02
установочные размеры для мебельных петель
28
установочные размеры для мебельных петель
29
Петля мебельная накладная а362а
установочные размеры для мебельных петель
30
Присадка под петлю 35 мм Hettich
установочные размеры для мебельных петель
31
Петля 351 clip-on d35мм с доводчиком угловая 180 град. С М.планкой h0мм, ,
установочные размеры для мебельных петель
32
405.0550.04 Петля врезная
установочные размеры для мебельных петель
33
Как сделать разметку под мебельные петли
установочные размеры для мебельных петель
34
установочные размеры для мебельных петель
35
Boyard h100c02/0112 петля
установочные размеры для мебельных петель
36
Мебельная петля h301a02/0910
установочные размеры для мебельных петель
37
установочные размеры для мебельных петель
38
Петля мебельная накладная h301a02, clip-on, 35 мм, 105°
установочные размеры для мебельных петель
39
Петля мебельная STP Italy 248.3645
установочные размеры для мебельных петель
40
Blum петля накладная 71b3550 схема присадки
установочные размеры для мебельных петель
41
установочные размеры для мебельных петель
42
Hettich петля для холодильника et582 72134
установочные размеры для мебельных петель
43
Присадка мебельной петли 35мм
установочные размеры для мебельных петель
44
Мебельный шаблон РШП-35б чертеж
установочные размеры для мебельных петель
45
Присадка мебельной петли 35мм Хеттих
установочные размеры для мебельных петель
46
Петля SENSYS 8645i
установочные размеры для мебельных петель
47
установочные размеры для мебельных петель
48
173h7100 Blum
установочные размеры для мебельных петель
49
Полунакладная петля Blum 110
установочные размеры для мебельных петель
50
установочные размеры для мебельных петель
51
установочные размеры для мебельных петель
52
Мебельного шаблона РШП-35б
установочные размеры для мебельных петель
53
установочные размеры для мебельных петель
54
установочные размеры для мебельных петель
55
Петля накладная с обратной пружиной FGV Optima Push - 51xsh5p500c00
установочные размеры для мебельных петель
56
Петля Hettich SENSYS 8657
установочные размеры для мебельных петель
57
Мини петли Боярд присадка
установочные размеры для мебельных петель
58
Петли clip Top BLUMOTION 110
установочные размеры для мебельных петель
59
Накладная петля 26мм 26 мм чертеж
установочные размеры для мебельных петель
60
Петля накладная Блюм 71b9550
установочные размеры для мебельных петель
61
установочные размеры для мебельных петель
62
Петля мебельная вкладная Boyard Slide-on h402c21/1310/6/c
установочные размеры для мебельных петель
63
Вкладные петли FGV присадка
установочные размеры для мебельных петель
64
установочные размеры для мебельных петель
65
Присадка под петли 35 мм центр отверстия
установочные размеры для мебельных петель
66
Мебельный шаблон ЧЕРОН МШ-39
установочные размеры для мебельных петель
67
Петля накладная GTV 90 градусов с планкой h-2 для фальшпанелей с евро, 45мм
установочные размеры для мебельных петель
68
установочные размеры для мебельных петель
69
установочные размеры для мебельных петель
70
Диаметр отверстия под петли икеа
установочные размеры для мебельных петель
71
Схема присадок под петли на фасадах
установочные размеры для мебельных петель
72
Мебельная петля h504a/2310
установочные размеры для мебельных петель
73
установочные размеры для мебельных петель
74
Петля Блюм накладная 110 присадка
установочные размеры для мебельных петель
75
установочные размеры для мебельных петель
76
Titus доводчик петли Glissando tl2 951-0x94-050-00-k1
установочные размеры для мебельных петель
77
Мебельная петля Boyard h402c21 чертеж
установочные размеры для мебельных петель
78
Петля Блюм 110 градусов с доводчиком
установочные размеры для мебельных петель
79
установочные размеры для мебельных петель
80
установочные размеры для мебельных петель
81
Арвант мебельные кондукторы
установочные размеры для мебельных петель
82
установочные размеры для мебельных петель
83
Мебельная петля Boyard h402c21 чертеж
установочные размеры для мебельных петель
84
Петля Блюм 110 градусов с доводчиком
установочные размеры для мебельных петель
85
установочные размеры для мебельных петель
86
установочные размеры для мебельных петель
87
Арвант мебельные кондукторы
установочные размеры для мебельных петель
88
установочные размеры для мебельных петель
89
Петли Samet Master с доводчиком
установочные размеры для мебельных петель
90
Разметка петли мебельные 35 мм сверления
установочные размеры для мебельных петель
91
Петля полунакладная MF-201в, Slide-on
установочные размеры для мебельных петель
92
установочные размеры для мебельных петель
93
Мебельная петля 135 градусов Boyard h72002/0112
установочные размеры для мебельных петель
94
Схема присадки под петли на фасаде
установочные размеры для мебельных петель
95
установочные размеры для мебельных петель
96
Мебельная петля без пружины Liberty h691a02/0112
установочные размеры для мебельных петель
97
установочные размеры для мебельных петель
98
установочные размеры для мебельных петель
99
Blum ответная планка с евровинтом
установочные размеры для мебельных петель
100
Петля трансформер 165* Boyard h600а02/0112
установочные размеры для мебельных петель
101
Петля Blum 79b9550
установочные размеры для мебельных петель
102
Петля 09 с доводчиком с clipon АКS
установочные размеры для мебельных петель
103
Петля накладная угол открывания 105* Slide-on Boyard
установочные размеры для мебельных петель
104
Петля с амортизатором вкладная (90/105), для стекла
установочные размеры для мебельных петель
105
установочные размеры для мебельных петель
106
установочные размеры для мебельных петель
107
Фрезеровка под петли

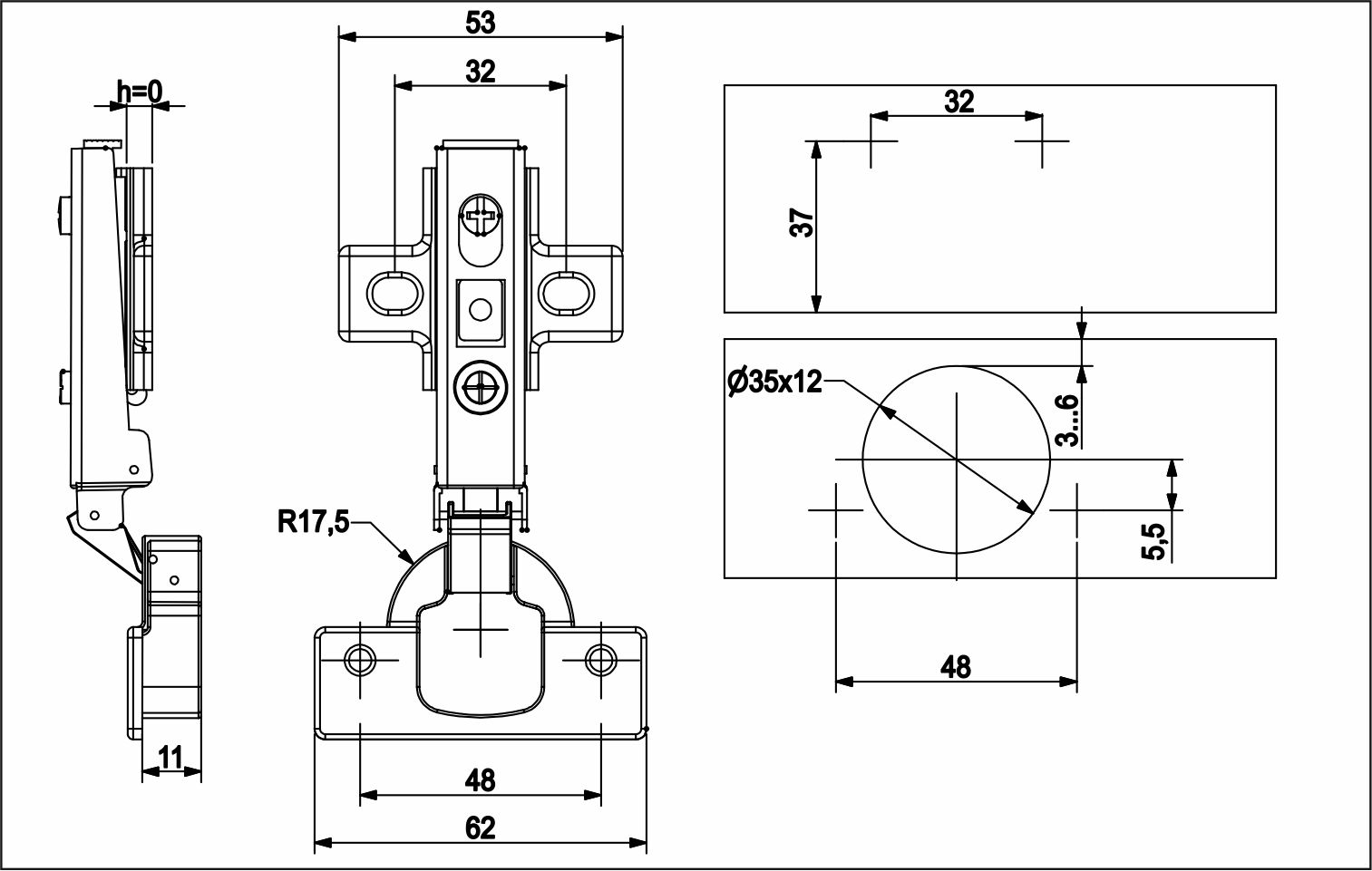
Стандартные размеры

Стандартные установочные размеры для мебельных петель зависят от их типа и назначения. Наши подробные фотографии помогут вам понять, как правильно измерить и установить петли для различных видов мебели: шкафов, дверей, ящиков и т.д.

Оставьте комментарий

Ваш электронный адрес не будет опубликован.